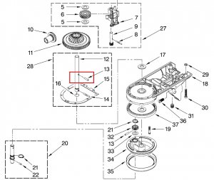
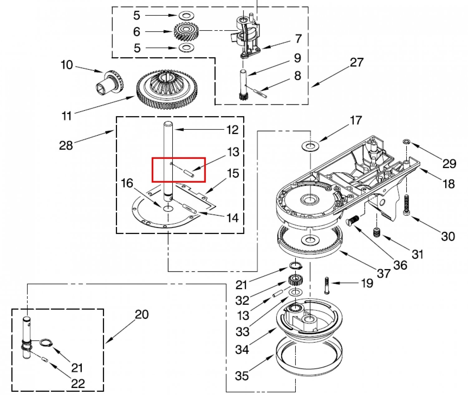
KitchenAid-Ersatzteile Mittlerer Stift im Center Shaft (Pos. 13)
- 8,95 € inkl. gesetzl. MwSt. zzgl. Versand Artikelnr.: UV-86245-WP9707223-10641 Lieferzeit 1 bis 3 Tage
-
KitchenAid-Ersatzteile – Mittlerer Stift im Center Shaft (Pos. 13)
Das Original-Ersatzteil für anspruchsvolle Reparaturen
Kleine Bauteile – große Bedeutung: Der mittlere Stift im Center Shaft gehört zu den zentralen Komponenten im Innenleben vieler KitchenAid-Küchenmaschinen. Als Originalteil (Pos. 13) sorgt er für die korrekte Verbindung im Antriebssystem. Ist er verschlissen oder fehlt er, kann das Gerät nicht mehr zuverlässig arbeiten.
Bei Kaufhaus-Rump.de erhalten Sie dieses seltene und technisch anspruchsvolle Bauteil als einzeln lieferbaren KitchenAid-Ersatzteil, geprüft und passgenau.
Technische Details:
-
Durchmesser: 3,86 mm
-
Länge: 16,7 mm
-
Position 13 auf der KitchenAid-Explosionszeichnung
-
Material: Spezialstahl
-
Original KitchenAid-Ersatzteil
Für präzise und langlebige Reparaturen
Wir führen eine gezielte Auswahl an hochwertigen KitchenAid-Ersatzteilen – insbesondere solche, die schwer zu beschaffen sind oder vom Hersteller nicht mehr regelmäßig angeboten werden. Dieser mittlere Stift ist ein typisches Beispiel: technisch unscheinbar, aber unverzichtbar für den Betrieb.
Vertrauen Sie auf Erfahrung
Kaufhaus-Rump.de steht für verlässlichen Ersatzteilservice, schnelle Lieferung und praxisnahe Beratung – auch bei ungewöhnlichen Einzelteilen für Küchenklassiker. Wenn Sie auf KitchenAid-Ersatzteile in Originalqualität angewiesen sind, sind Sie bei uns genau richtig.
-





